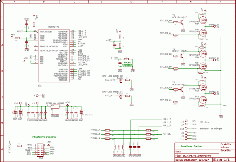
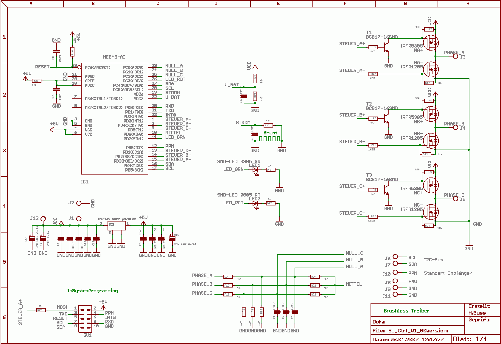
Dateianhang 'pony_fuses.gif'
Herunterladen
Gespeicherte Dateianhänge
Um Dateianhänge in eine Seite einzufügen sollte unbedingt eine Angabe wie attachment:dateiname benutzt werden, wie sie auch in der folgenden Liste der Dateien erscheint. Es sollte niemals die URL des Verweises ("laden") kopiert werden, da sich diese jederzeit ändern kann und damit der Verweis auf die Datei brechen würde.Sie dürfen keine Anhänge an diese Seite anhängen!